污染物自动监测监控系统数据传输技术要求(HJ 212—2025代替 HJ 212—2017)

2025-11-04 阅读次数:

1.jpg

2.jpg

3.jpg

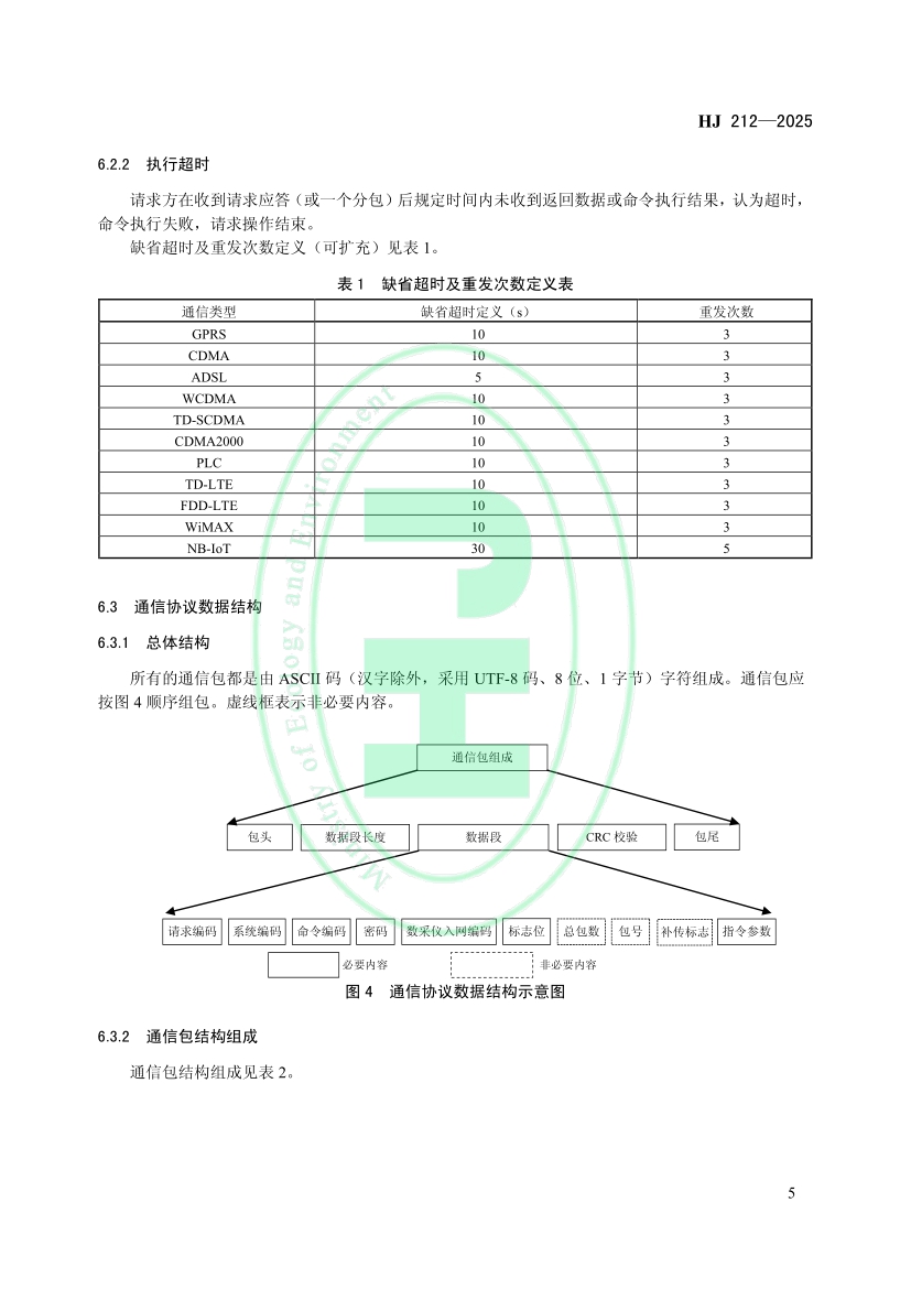
4.jpg

5.jpg

6.jpg

7.jpg

8.jpg

9.jpg

10.jpg

11.jpg

12.jpg

13.jpg

14.jpg

15.jpg

16.jpg

17.jpg

18.jpg

19.jpg

20.jpg

21.jpg

22.jpg

23.jpg

24.jpg

25.jpg

26.jpg

27.jpg

28.jpg

29.jpg

30.jpg

31.jpg

32.jpg

33.jpg

34.jpg

35.jpg

36.jpg

37.jpg

38.jpg

39.jpg

40.jpg

41.jpg

42.jpg

43.jpg

44.jpg

45.jpg

46.jpg

47.jpg

48.jpg

49.jpg

50.jpg

51.jpg

52.jpg

53.jpg

54.jpg

55.jpg

56.jpg

57.jpg

58.jpg

59.jpg

60.jpg

61.jpg

62.jpg

63.jpg

64.jpg

65.jpg

66.jpg

67.jpg

68.jpg

69.jpg

70.jpg

71.jpg

72.jpg

73.jpg

74.jpg

75.jpg

76.jpg

77.jpg

78.jpg

79.jpg

80.jpg

81.jpg

82.jpg

83.jpg

84.jpg

85.jpg

86.jpg

87.jpg

88.jpg

89.jpg

90.jpg

91.jpg

92.jpg


热门关键词:
污染物自动监测监控系统 污染物自动监测监控
本文网址:
https://www.langguan-vision.com/news/5632.html

免责声明:以上内容解答来源网络和AI生成仅供参考,不代表平台的观点和立场。若内容有误或侵权,请通过右侧客服联系我们更正或删除。

热门资讯:
  • 深圳黑烟车电子抓拍算法:AI赋能下的移动污染源精准治理新范式
  • 深圳黑烟车抓拍仪:技术原理与应用场景的深度解析
  • 石家庄国产机器视觉软件:智能制造的“智慧引擎”
  • 深圳机动车黑烟抓拍招标:科技赋能下的精准治污新路径
  • 深圳黑烟车抓拍方案:科技赋能下的精准治污新路径
  • 巴东鹰眼降尘系统原理图解析:AI视觉驱动的粉尘治理“毫米级”
  • 巴东鹰眼降尘系统原理图解与行业解决方案:AI视觉重构粉尘治理
  • 巴东鹰眼降尘系统原理图详解:技术细节与场景适配的深度剖析
  • 深圳黑烟车抓拍系统标书核心要素解析:科技赋能下的精准治污新路
  • 麻阳机器视觉:以智能之眼重塑产业生态,开启区域经济新篇章
  • 巴东鹰眼降尘系统原理图解大全:从理论到实践的视觉化呈现
  • 巴东鹰眼降尘系统:AI视觉驱动的粉尘治理新范式
  • 最新资讯:
  • 水质 丙烯酰胺的测定 高效液相色谱-三重四极杆质谱法(HJ
  • 环境空气和废气 臭气的测定 动态稀释嗅辨法(HJ 1416—
  • 污染物自动监测监控系统数据传输技术要求(HJ 212—202
  • 地表水自动监测系统通信协议技术要求(HJ 1404—202
  • 新华社:生态环境部将加快推进全国碳市场建设
  • 中国新闻社:中方阐明2025年联合国气候变化大会基本立场和主
  • 生态环境部亮相2025香港环保博览,环保创新引领未来
  • 环保动态:探秘江西湖口的紧邻长江岸线的园区如何防控水污染风险
  • 环保新标杆 | 生态环境部公布执法优秀案卷:这些案例如何推动
  • 环保动态:污水如何变废为宝?成都骑龙中水湿地助力美丽中国建设
  • 机器视觉系统供货厂家
  • 机器视觉系统直销厂家
  • 在线
    客服

    在线沟通服务时间:9:00-24:00

    复制添加客服QQ:1043978492

    客服
    热线

    131-2165-7089
    7*24小时客服服务热线

    关注
    微信

    关注官方微信
    顶部